ESQUEMA ELÉTRICO VOLVO FM-FH-NH12-VERSÃO2 2006 (DOWNLOAD PDF)
O Coração Eletrônico dos Gigantes: Tudo Sobre o Esquema Elétrico do Volvo FM, FH e NH12 (Versão 2 - 2006)
O sistema elétrico dos caminhões Volvo da linha F (FM, FH, NH12) na sua Versão 2, consolidada por volta de 2006, representa um marco na eletrônica embarcada em veículos pesados no Brasil. Abandonando sistemas mais antigos, a Volvo implementou uma arquitetura multiplexada robusta, que se tornou a base para as gerações futuras.
Arquitetura Principal: O Sistema Multiplexado (Bea 2.0)
A grande inovação dessa geração é a rede Multiplex (ou BEA 2.0 - Bus Electrical Architecture). Em vez de ter um fio dedicado para cada função (o que geraria chicotes enormes e complexos), o sistema utiliza uma rede de comunicação digital.
Como funciona: Diversos módulos eletrônicos (ECUs) são conectados por um par de fios trançados (o barramento de dados, ou CAN bus). Eles "conversam" entre si, trocando informações e comandos. Por exemplo, quando o motorista aciona o botão do vidro elétrico na porta, o módulo da porta envia um sinal digital pela rede para o módulo central da cabine, que então comanda o motor do vidro.
Vantagens: Redução drástica no número de fios, facilidade de diagnóstico (os módulos registram códigos de falha), e a possibilidade de adicionar novas funções via software, sem alterar o hardware.
Módulos (ECUs) Chave no Esquema Elétrico
O sistema é descentralizado, com "cérebros" espalhados pelo caminhão. Os principais são:
1- VECU (Vehicle ECU): O "Gerente Geral" do caminhão. Localizado na caixa de fusíveis central (dentro da cabine), ele gerencia a comunicação entre todos os outros módulos, controla funções da cabine, iluminação, painel de instrumentos e serve como gateway entre as diferentes redes de comunicação.
2- EECU (Engine ECU): O Módulo de Controle do Motor. Famosamente montado na lateral do bloco do motor D12D (comum em 2006), ele é o cérebro da injeção eletrônica. Ele recebe informações de dezenas de sensores (rotação, temperatura, pressão do turbo, etc.) e comanda os atuadores, como as unidades injetoras.
3- TECU (Transmission ECU): Presente nos modelos com caixa de câmbio automatizada I-Shift, controla as trocas de marcha e a embreagem.
Outros Módulos: LCM (Módulo de Controle das Luzes), ABS/EBS (Módulo dos Freios), BBM (Módulo do Encosteirador/Implementador), entre outros módulos menores para funções específicas.
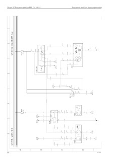
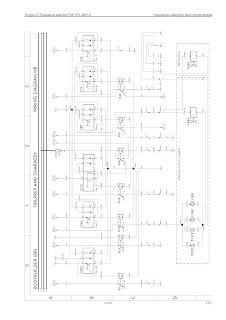
Principais Diagramas e Circuitos
Um esquema elétrico completo para um Volvo 2006 é um documento extenso, mas podemos dividi-lo em áreas principais:
Alimentação Elétrica e Aterramento: É a base de tudo. O diagrama mostra a ligação das baterias, o motor de partida, o alternador e os principais pontos de aterramento no chassi e na cabine. Falhas de aterramento são uma causa comum de problemas "fantasmas".
Gerenciamento do Motor (Motor D12D): Este é o esquema mais procurado. Ele detalha a pinagem da EECU e a ligação de todos os sensores vitais, como:
Sensor de rotação do virabrequim e do comando.
Sensor de pressão e temperatura do óleo.
Sensor de temperatura da água.
Sensor de pressão do turbo.
Conexão com as unidades injetoras.
Iluminação: O diagrama mostra como o LCM (Light Control Module) recebe os comandos da alavanca de seta e do interruptor de faróis (via rede multiplex) e distribui a energia para os faróis, lanternas, setas e luzes de freio.
Painel de Instrumentos (ICU): O painel funciona como um display que recebe todas as informações (velocidade, rotação, temperatura, alertas) através da rede de dados vinda da VECU, em vez de ter um fio para cada luz ou medidor.
Conforto e Cabine: Circuitos de ar-condicionado, vidros e travas elétricas, rádio e tacógrafo.

































































































































































Nenhum comentário:
Postar um comentário