O que você procura?
Você é o visitante
Seja Bem Vindo!
Seja Bem vindo.
Todo nosso conteúdo é grátis proveniente de doações e pesquisas na internet.
Caso deseje colaborar entre em contato!
CONTATO: manuaisdoproprietariobr@gmail.com
OBRIGADO PELA VISITA!
Seguidores
Últimas Postagens
10-latest-65px
Mais acessadas da semana
-
ESQUEMA ELÉTRICO GM SÉRIES A10 - A20 D10 - D20 - D40 DOWNLOAD NO FINAL DA POSTAGEM
-
MANUAL VW WORKER 13-180, 15-180, 17-180, 17-220 TRACTOR, 17-220, 24-220, 26-220 - 2008 DOWNLOAD NO FINAL DA POSTAGEM
-
MANUAL MECÂNICO ASIA TOWNER 93 a 97 DOWNLOAD NO FINAL DA POSTAGEM A Pequena Notável que Motorizou o Sonho Brasileiro No Brasil dos anos 90, ...
-
CATÁLOGO DE PEÇAS VW GOLF MK4 1999/2003 DOWNLOAD DO CATÁLOGO COMPLETO NO LINK NO FINAL DA POSTAGEM DOWNLOAD DO CATÁLOGO COMPLETO NO ...
-
CAMINHÃO CHEVROLET C60 E D60 (DOWNLOAD PDF) A Força Laranja que Moveu uma Nação Se as estradas do Brasil pudessem contar histórias, muitas...
-
MANUAL FIAT PALIO FIRE 2013 (DOWNLOAD PDF) DOWNLOAD NO FINAL DA POSTAGEM O Segredo da Durabilidade do seu Palio O Manual do Proprietário...
-
CATÁLOGO DE PEÇAS CHEVROLET CORSA 1994 - 1999 DOWNLOAD NO FINAL DA POSTAGEM PARA BAIXAR O CATÁLOGO COMPLETO CLIQUE NO LIN...
Arquivo do blog
-
▼
2024
(540)
-
▼
setembro
(62)
- FOLDER VOLKSWAGEN GOL
- FOLDER CHEVROLET VERANEIO
- FOLDER CHEVROLET VECTRA
- FOLDER CHEVROLET TRACKER
- FOLDER CHEVROLET SPIN
- FOLDER CHEVROLET TIGRA
- FOLDER CHEVROLET SONIC
- FOLDER CHEVROLET SILVERADO
- FOLDER CHEVROLET S-10
- FOLDER CHEVROLET OPALA
- FOLDER CHEVROLET PRISMA
- FOLDER CHEVROLET ONIX
- FOLDER CHEVROLET MONZA
- FOLDER CHEVROLET OMEGA
- FOLDER CHEVROLET MONTANA
- FOLDERS CHEVROLET C10
- FOLDER CHEVROLET BONANZA
- MANUAL DE REPARAÇÃO E SERVIÇO CHEVROLET VECTRA 200...
- MANUAL DO PROPRIETÁRIO MIZA SKEMA LS125-6
- MANUAL DO PROPRIETÁRIO MIZA VITE 150T-7.1
- MANUAL DO PROPRIETÁRIO MIZA EASY-LJ125 2010
- MANUAL DO PROPRIETÁRIO MIZA FAST LJ150-2
- MANUAL DO PROPRIETÁRIO MIZA DRAGO LJ150-7 2007
- ESQUEMA ELÉTRICO DO FORD ESCORT 1997
- DIAGRAMA ELÉTRICO FORD ECOSPORT
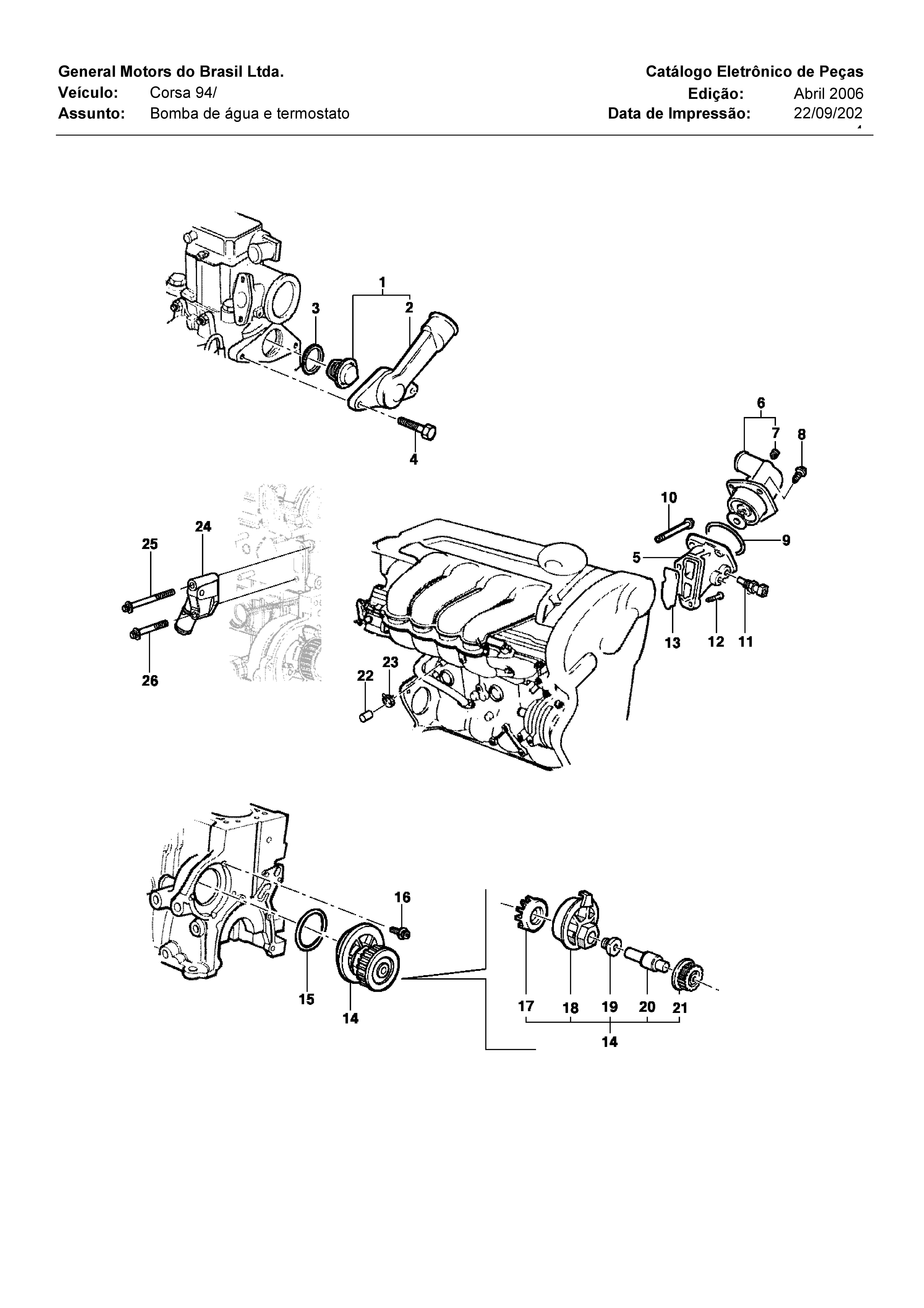
- CATÁLOGO DE PEÇAS CHEVROLET CORSA 1994 - 1999
- CATÁLOGO DE PEÇAS CHEVROLET CHEVETTE 1973 / 1984 (...
- CATÁLOGO DE PEÇAS CHEVROLET CELTA
- CATÁLOGO DE PEÇAS CAMINHÕES CHEVROLET 1964 - 1984 ...
- CATÁLOGO DE PEÇAS CHEVROLET CALIBRA
- CATÁLOGO DE PEÇAS CHEVROLET ASTRA 1999
- MANUAL FIAT TORO 2017
- MANUAL FIAT TORO 2022
- MANUAL FIAT TORO 2020
- MANUAL FIAT TORO 2018
- MANUAL DO TOYOTA COROLLA 2022
- MANUAL TOYOTA COROLLA 2023
- MANUAL DO TOYOTA COROLLA 2024
- MANUAL TOYOTA COROLLA 2019
- MANUAL TOYOTA COROLLA 2018
- MANUAL TOYOTA COROLLA 2017
- MANUAL TOYOTA COROLLA 2016
- MANUAL TOYOTA COROLLA 2015
- MANUAL TOYOTA COROLLA 2014
- MANUAL TOYOTA COROLLA 2013
- MANUAL TOYOTA COROLLA 2012
- MANUAL TOYOTA COROLLA 2011
- MANUAL TOYOTA COROLLA 2010
- MANUAL TOYOTA COROLLA 2009
- MANUAL TOYOTA COROLLA 2008
- MANUAL TOYOTA COROLLA 2007
- MANUAL TOYOTA COROLLA 2005
- MANUAL TOYOTA COROLLA 2004
- MANUAL TOYOTA COROLLA 2003
- MANUAL TOYOTA COROLLA 2002
- MANUAL TOYOTA COROLLA 2000
- MANUAL TOYOTA COROLLA 2001
- MANUAL TOYOTA COROLLA 1999
- MANUAL TOYOTA COROLLA 1998
- MANUAL TOYOTA COROLLA E FIELDER 2007
- MANUAL TOYOTA COROLLA E FIELDER 2006
- MANUAL TOYOTA COROLLA E FIELDER 2004
-
▼
setembro
(62)
















































































































































































Nenhum comentário:
Postar um comentário