O que você procura?
Você é o visitante
Seja Bem Vindo!
Seja Bem vindo.
Todo nosso conteúdo é grátis proveniente de doações e pesquisas na internet.
Caso deseje colaborar entre em contato!
CONTATO: manuaisdoproprietariobr@gmail.com
OBRIGADO PELA VISITA!
Seguidores
Últimas Postagens
10-latest-65px
Mais acessadas da semana
-
ESQUEMA ELÉTRICO GM SÉRIES A10 - A20 D10 - D20 - D40 DOWNLOAD NO FINAL DA POSTAGEM
-
MANUAL VW WORKER 13-180, 15-180, 17-180, 17-220 TRACTOR, 17-220, 24-220, 26-220 - 2008 DOWNLOAD NO FINAL DA POSTAGEM
-
CAMINHÃO CHEVROLET C60 E D60 (DOWNLOAD PDF) A Força Laranja que Moveu uma Nação Se as estradas do Brasil pudessem contar histórias, muitas...
-
MANUAL MECÂNICO ASIA TOWNER 93 a 97 DOWNLOAD NO FINAL DA POSTAGEM A Pequena Notável que Motorizou o Sonho Brasileiro No Brasil dos anos 90, ...
-
CATÁLOGO DE PEÇAS VW GOLF MK4 1999/2003 DOWNLOAD DO CATÁLOGO COMPLETO NO LINK NO FINAL DA POSTAGEM DOWNLOAD DO CATÁLOGO COMPLETO NO ...
-
MANUAL FIAT PALIO FIRE 2013 (DOWNLOAD PDF) DOWNLOAD NO FINAL DA POSTAGEM O Segredo da Durabilidade do seu Palio O Manual do Proprietário...
-
CATÁLOGO DE PEÇAS CHEVROLET CORSA 1994 - 1999 DOWNLOAD NO FINAL DA POSTAGEM PARA BAIXAR O CATÁLOGO COMPLETO CLIQUE NO LIN...
Arquivo do blog
-
▼
2023
(656)
-
▼
outubro
(126)
- MANUAL FIAT PALIO WEEKEND 2016
- MANUAL FIAT PALIO WEEKEND 2015
- MANUAL FIAT PALIO WEEKEND 2014
- MANUAL FIAT PALIO WEEKEND 2013
- MANUAL FIAT PALIO WEEKEND 2012
- MANUAL FIAT PALIO WEEKEND 2011
- MANUAL FIAT PALIO WEEKEND 2009
- MANUAL FIAT PALIO WEEKEND 2010
- MANUAL FIAT PALIO WEEKEND 2008
- MANUAL FIAT PALIO WEEKEND 2007
- MANUAL FIAT PALIO WEEKEND 2006
- MANUAL FIAT PALIO WEEKEND 2005
- MANUAL CHEVROLET CHEVETTE E CHEVY 1993
- MANUAL CHEVROLET CHEVETTE E CHEVY 1991
- MANUAL CHEVROLET CHEVETTE - CHEVY - MARAJÓ 1987
- MANUAL CHEVROLET CHEVETTE 1984
- MANUAL CHEVROLET CHEVETTE 1980
- MANUAL CHEVROLET CHEVETTE 1978
- MANUAL CHEVROLET CHEVETTE 1975
- MANUAL CHEVROLET CHEVETTE 1973
- MANUAL CHEVROLET CHEVETTE 1979
- MANUAL FORD RANGER 2015
- MANUAL FORD RANGER 2014
- MANUAL FORD RANGER 2013
- MANUAL FORD RANGER 2012
- MANUAL FORD RANGER 2010
- MANUAL FORD CORCEL 1977 (DOWNLOAD PDF)
- MANUAL FORD CORCEL 1975 (DOWNLOAD PDF)
- MANUAL FORD CORCEL 1973
- MANUAL FORD FIESTA 2014
- MANUAL FORD FIESTA 2018
- MANUAL FORD FIESTA 2017
- MANUAL FORD FIESTA 2015
- MANUAL FORD FIESTA 2013
- MANUAL FORD FIESTA 2012
- MANUAL FORD FIESTA 2011
- MANUAL FORD FIESTA 2010
- MANUAL FIAT GRAND SIENA 2020
- MANUAL FIAT GRAND SIENA 2019
- MANUAL FIAT GRAND SIENA 2018
- MANUAL FIAT GRAND SIENA 2017
- MANUAL FIAT GRAND SIENA 2016
- MANUAL FIAT GRAN SIENA 2015
- MANUAL FIAT GRAND SIENA 2013
- MANUAL FIAT SIENA 2006
- MANUAL FIAT SIENA 2016
- MANUAL FIAT SIENA 2015
- MANUAL FIAT SIENA 2014
- MANUAL FIAT SIENA 2013
- MANUAL FIAT SIENA 2012
- MANUAL FIAT SIENA 2011
- MANUAL FIAT SIENA FIRE 2012
- MANUAL FIAT SIENA FIRE 2011
- MANUAL FIAT SIENA FIRE 2006
- MANUAL FIAT SIENA FIRE 2009
- MANUAL FIAT SIENA FIRE 2010
- MANUAL FIAT SIENA 2008
- MANUAL FIAT SIENA 2010
- MANUAL FIAT SIENA 2009
- MANUAL FIAT SIENA 2007
- MANUAL FIAT SIENA 2005
- MANUAL FIAT SIENA FIRE 2004
- MANUAL SCANIA LK-140 E LKS-140
- CATÁLOGO DE PEÇAS FORD MAVERICK
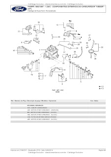
- CATÁLOGO DE PEÇAS FORD PAMPA 1993/1997
- CATÁLOGO DE PEÇAS FORD FIESTA 1996/2006
- CATÁLOGO DE PEÇAS FORD F-1000
- FOLDER LINHA GM 2016
- FOLDER LINHA GM 1990
- FOLDER LINHA GM 1988
- FOLDER GM KADETT E IPANEMA
- LINHA GM 1973 CAMINHÕES
- FOLDER GM D-20
- FOLDER GM CORSA
- FOLDER GM CRUZE
- FOLDER GM COBALT
- FOLDER GM CHEVETTE
- FOLDER GM CELTA
- FOLDER GM CARAVAN
- FOLDER GM A10 - C10 - D10
- FOLDER GM BLAZER
- FOLDER GM ASTRA
- FOLDER FORD VERSSAILES
- FOLDER FORD VERONA
- FOLDER FORD ROYALE
- FOLDER FORD RANGER
- FOLDER FORD PAMPA
- FOLDER FORD MAVERICK
- FOLDER LINHA FORD 1979
- FOLDER LINHA FORD 1973
- FOLDER FORD KA
- FOLDER FORD FUSION
- FOLDER FORD FOCUS
- FOLDER FORD FIESTA
- FOLDER FORD DEL REY
- FOLDER FORD CORCEL II
- FOLDER FORD CORCEL I
- FOLDER FORD BELINA II
- FOLDER FIAT UNO
- FOLDER FIAT STRADA
-
▼
outubro
(126)



























































































































































































































































































































































































































Nenhum comentário:
Postar um comentário